辽宁工程技术大学2017级 专科 (机电一体化技术专业)
第三学期《机械设计基础》试卷
速度?回转,在图示位置时,推杆的移动速度为V,对应的位移为S。试推导此时压力角?的计算公式。
题号 得分
一 二 三 四 五 六 总分 VS一、 填空题(每空1分,共40分)
1、解决连杆机构死点位置的措施有( )和( )。 2、在凸轮机构从动件中,存在柔性冲击的是( )和( )运动规律。 3、采用( )法加工渐开线齿轮易出现根切现象,标准渐开线直齿圆柱齿轮不产生根切的最小齿数为( )。
4、槽轮机构的槽数越多,其运动系数越( )。解决不完全齿轮机构刚性冲击,常采用( )。
5、普通平键的剖面尺寸是根据( )确定的,若采用两个普通平键联接,要求两个普通平键位于( )。 6、螺旋副的自锁条件为( ),常用的控制螺纹联接预紧力的方法有( )、( )和测量螺栓伸长量。
7、为了避免螺栓承受附加弯矩的作用,在结构上常采用( )、( )和( )
8、齿轮传动的失效部位位于( )部分,其失效形式有轮齿折断、( )、( )、( )和塑性变形。
9、齿轮传动的润滑方式主要根据齿轮的( )的大小来确定。 10、蜗杆的头数越( ),直径系数越( ),传动效率越高。
11、带的弹性滑动是由带的( )引起的,由于带的弹性滑动造成从动轮的圆周速度( )主动轮的。而打滑是由( )引起的,首先发生在小带轮上。 12、带传动的设计准则为保证不打滑的条件下具有足够的( )。 13、滚子链的链节数一般采用( )而链轮的齿数一般采用与链节数( )。 14、滚子链的节距P与分度圆直径D的关系为( )。 15、采用合金钢代替碳钢是否能( )提高轴的刚度。
16、轴瓦上开设油沟,以便润滑油均匀地流到( ),而油沟应开在轴承的( ),以免降低轴承的承载能力。
17、代号为7307AC的滚动轴承为( )轴承,内径为( )毫米,它的基本额定动载荷C?33400N,说明轴承在( )N当量动载荷下工作10转不发生( )失效,可靠度为( ),此轴承若承受载荷为:R?2087.5N,A?1470N(X?1,Y?0.5,fp?1.6)?N,寿命为( )转。 ,则当量动载荷P??
6?rbe
二、(10分)如图所示的凸轮机构,偏心距为,凸轮的基圆半径为,并以等角速度回转,在图示位置时,推杆的移动速度为V,对应的位移为S。试推导此时压力角的计算公式。

三、(10分)计算图示机构的自由度

四、(10分)在图上标出该机构所有速度瞬心的位置。

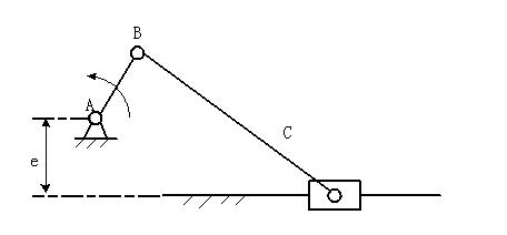
五、(10分)图示机构中,驱动构件AB以等角速度回转,,,
试:1 在图上绘制该机构压力角最大和最小的机构位置,并列式计算最大和最小压力角、的值。
2 列式计算滑块的冲程H。

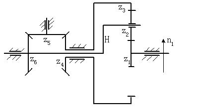
六、(20分)图示轮系中,已知,,,试:
1 求传动比。
2 若齿轮1以1800转/分沿图示方向回转,求齿轮6的转速,并确定转向。

A卷参考答案;评分标准
一、填空题(每空1分,共40分)
1、飞轮,错位排列法; 2、等加速等减速,简谐; 3、范成,17; 4、大,瞬心线附加杆; 5、键所在轴段的直径由标准,同一轴段相错1800的位置; 6、螺纹升角小于等于当量摩擦角,定力矩扳手,测力矩扳手;
......
完整答案请下载后使用
第 1 页 共 4 页

